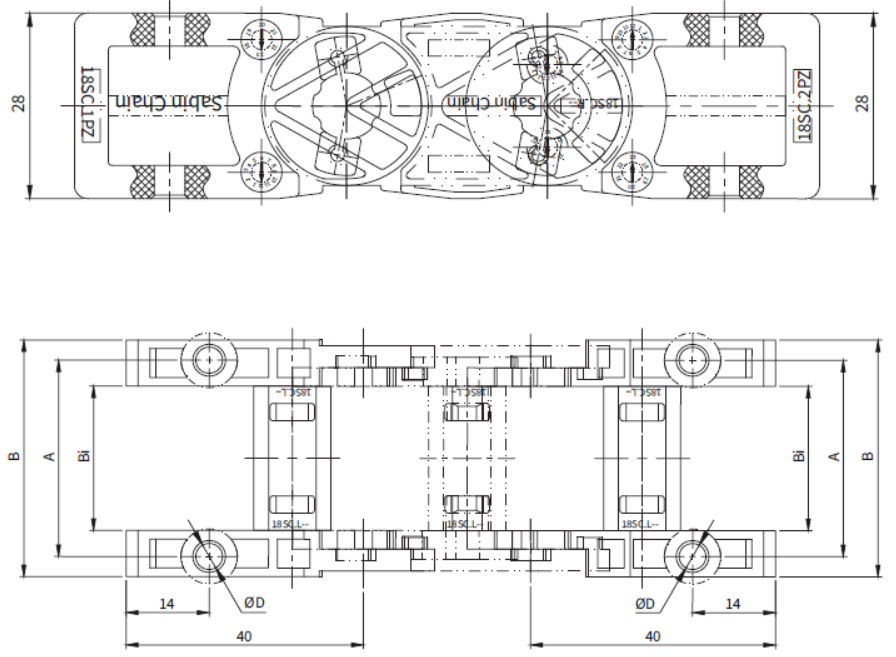
Schleppkettenmodell | Innenbreite (mm) | Außenbreite (mm) | Passendes Anschlussteil-Modell | A (mm) | B (mm) | D (mm) |
18SC.25.R | 25 | 39 | 18SC.25.12PZ | 34 | 41 | 4.5 |
18SC.37.R | 37 | 51 | 18SC.37.12PZ | 46 | 53 | 4.5 |
18SC.50.R | 50 | 64 | 18SC.50.12PZ | 59 | 66 | 4.5 |
★ Bei der Bestellung muss ein geeigneter und exakter Wert aus den verfügbaren Biegeradien (R) gewählt werden.