上海傑輝実業有限会社
トップページ
私たちについて
製品センター
ソリューション
サービスとサポート
ニュースの動き
ダウンロードセンター
お問い合わせ
ui-button
英語
簡体字中国語
繁体字中国語
日本語
ドイツ人
ログイン
ケーブル導入システム
オープンCEPシリーズ
オープンCQBシリーズ
変形金属CFシリーズ
ケーブル壁貫通シールシステム
ケーブルインレットアタッチメント
ケーブル識別システム
ケーブルID
デバイスID
ケーブル保護ホース
プラスチックベローズ
プラスチックベローズ継手
きんぞくホース
金属ホース継手
ヶーブルほごスリーブ
しゅうりょうたい
編み目スリーブ
ケーブル防水継手
ナイロンケーブル防水継手
金属ケーブル防水継手
ケーブル防水継手付属品
ケーブル締結システム
ひも本
こていし
ケーブル保護チェーン
サイレントシリーズ
非閉鎖シリーズ
ブロックシリーズ
トップページ
商品案内
ケーブル防水継手
ケーブル防水継手付属品
ナイロンバックルケーブルカバー
ui-button
ui-button
製品名:ナイロンバックルケーブルカバー
製品コード:CSB
引き合い
基本情報
製品仕様
CSBナイロンバックルケーブルカバー
色
ブラック(RAL 9005)
温度
-40℃~100℃
材料
ナイロン66,UL 94-V 2
応用の場合
粗悪な配線穴を通り抜けたケーブル電線を保護し、工具を必要とせず、手で軽く押すだけで組み立てが完了します。適用0.8~3.2 mmの鋼板
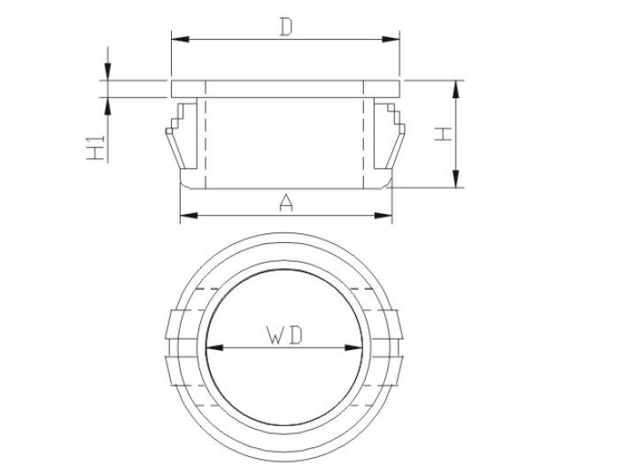
仕様型番
鋼板孔径A
(mm)
外径D
パンチングホールWD
ヘッダ厚さH 1
総高さH
包装数量(パッケージのみ)
CSB-8
7.8
9.4
5.2
1.6
8
100
CSB-10
9.5
12.0
6.3
1.6
10.3
100
CSB-10M
9.5
13.0
7..8
1.6
10.5
100
CSB-13
12.7
14.2
8.0
1.6
10.3
100
CSB-16
15.9
18.6
12.7
1.6
10.3
100
CSB-19
19
21.7
14.3
1.6
10.3
100
CSB-22
22.2
24.2
17.5
1.6
11.5
100
CSB-22M
22.2
24.2
18.9
1.6
11.5
100
CSB-26
25.5
28.5
19.1
1.6
11.5
100
CSB-28
27.7
31.2
24.8
1.6
11.8
100
CSB-30
30.0
33.3
24.1
1.6
11.5
100
CSB-38
38.1
41.2
29.0
1.6
11.4
100
CSB-45
43.6
47.8
35.4
1.6
11.6
100
CSB-50
50.8
54.0
41.6
1.6
11.6
100