Shanghai Jehui Industry Co.,LTD
Home
About Us
Products
Solutions
Service & Support
News
Downloads
Contact Us
ui-button
English
Simplified Chinese
Traditional Chinese
Japanese
German
Login
Cable Entry System
Split CEP Series
Split CQB Series
Multi-diameter Metal CF Series
Multi Cable Transit System
Cable Entry Accessories
Cable Marker System
Wire Marker
Device Marker
Cable Protection Conduits
Plastic Corrugated Conduit
Plastic Corrugated Conduit Fittings
Electrical Metallic Tubing
Electrical Metallic Tubing Connector
Cable Protection Sleeve
Wrapping Band
Braiding Sleeve
Cable Gland
Plastic Cable Gland
Metal Cable Gland
Cable Gland Accessories
Cable Fix System
Cable Tie
Cable Holder
Cable Drag Chain
Silent Series
Open Type
Close Type
Home
Products
Cable Protection Conduits
Plastic Corrugated Conduit Fittings
Plastic Internal Thread Quick Conduit Connector
ui-button
ui-button
Product Name:Plastic Internal Thread Quick Conduit Connector
Product Code:JQG2
Inquiry
General
Variants
JQG2 Plastic Internal Thread Quick Conduit Connector
Material
Nylon 66
IP Degree
IP68
Color
Dark grey (RAL 7037), black (RAL 9005)
Temperature
-40℃ ~ 115℃, 150℃ in a short time
Product Description
It has good self extinguishing property and does not contain halogen, phosphorus and cadmium. Through ROHS test
JQG2-M Metric Thread
Grey
Black
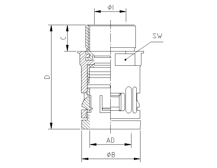
Thread
Conduit size
Wrench size
SW(mm)
Length
C(mm)
Aperture
ΦI(mm)
Outer diameter
B
(mm)
Length
D
(mm)
Packing unit
(pcs/pack)
JQG2-M10G/AD10.0
JQG2-M10B/AD10.0
M10×1.0
AD10.0
15.5
12.5
7
17
36
50
JQG2-M12G/AD10.0
JQG2-M12B/AD10.0
M12×1.5
AD10.0
15.5
12.5
7
17
36
50
JQG2-M12G/AD13.0
JQG2-M12B/AD13.0
M12×1.5
AD13.0
18
13
10
20
38
50
JQG2-M16G/AD13.0
JQG2-M16B/AD13.0
M16×1.5
AD13.0
18
13.5
10
20
38
50
JQG2-M16G/AD15.8
JQG2-M16B/AD15.8
M16×1.5
AD15.8
21
13.5
12
23
41
50
JQG2-M20G/AD15.8
JQG2-M20B/AD15.8
M20×1.5
AD15.8
21
13.5
12
23
41
50
JQG2-M20G/AD18.5
JQG2-M20B/AD18.5
M20×1.5
AD18.5
24
13.5
14.5
26
43
50
JQG2-M20G/AD21.2
JQG2-M20B/AD21.2
M20×1.5
AD21.2
27
14.5
17
29.5
47
50
JQG2-M22G/AD21.2
JQG2-M22B/AD21.2
M22×1.5
AD21.2
27
14.5
17
29.5
47
50
JQG2-M25G/AD21.2
JQG2-M25B/AD21.2
M25×1.5
AD21.2
27
14.5
17
29.5
47
50
JQG2-M25G/AD25.5
JQG2-M25B/AD255
M25×1.5
AD25.5
31
15
21
34
49
25
JQG2-M25G/AD28.5
JQG2-M25B/AD28.5
M27×1.5
AD28.5
34
16
23.5
37
50
25
JQG2-M32G/AD28.5
JQG2-M32B/AD28.5
M32×1.5
AD28.5
34
16
23.5
37
50
25
*JQG2-M32G/AD31.5
JQG2-M32B/AD31.5
M32×1.5
AD31.5
37
17
26
41
53
25
JQG2-M32G/AD34.5
JQG2-M32B/AD34.5
M32×1.5
AD34.5
40
17
30
44
56
25
JQG2-M40G/AD34.5
JQG2-M40B/AD34.5
M40×1.5
AD34.5
40
17.5
30
44
56
25
JQG2-M40G/AD42.5
JQG2-M40B/AD42.5
M40×1.5
AD42.5
50
26
36.5
52
65
10
JQG2-M50G/AD42.5
JQG2-M50B/AD42.5
M50×1.5
AD42.5
50
26
36.5
52
65
10
JQG2-M50G/AD54.5
JQG2-M50B/AD54.5
M50×1.5
AD54.5
60
28.5
48
64
68.5
5
JQG2-M63G/AD54.5
JQG2-M63B/AD54.5
M63×1.5
AD54.5
60
28.5
48
64
68.5
5
JQG2-G Thread
Grey
Black
Thread
Conduit size
Wrench size
SW(mm)
Length
C(mm)
Aperture
ΦI (mm)
Outer diameter
B
(mm)
Length
D
(mm)
Packing unit
(pcs/pack)
JQG2-G1/4G/AD10.0
JQG2-G1/4B/AD10.0
G1/4"
AD10.0
15.5
12.5
7
17
36
50
JQG2-G3/8G/AD13.0
JQG2-G3/8B/AD13.0
G3/8"
AD13.0
18
13
10
20
38
50
JQG2-G3/8G/AD15.8
JQG2-G3/8B/AD15.8
G3/8"
AD15.8
21
13.5
12
23
41
50
JQG2-G1/2G/AD15.8
JQG2-G1/2B/AD15.8
G1/2"
AD15.8
21
13.5
12
23
41
50
JQG2-G1/2G/AD18.5
JQG2-G1/2B/AD18.5
G1/2"
AD18.5
24
13.5
14.5
26
43
50
JQG2-G1/2G/AD21.2
JQG2-G1/2B/AD21.2
G1/2"
AD21.2
27
14.5
17
29.5
47
50
JQG2-G3/4G/AD21.2
JQG2-G3/4B/AD21.2
G3/4"
AD21.2
27
14.5
17
29.5
47
50
JQG2-G3/4G/AD25.5
JQG2-G3/4B/AD25.5
G3/4"
AD25.5
31
15
21
34
49
25
JQG2-G3/4G/AD28.5
JQG2-G3/4B/AD28.5
G3/4"
AD28.5
34
16
23.5
37
50
25
JQG2-G1G/AD28.5
JQG2-G1B/AD28.5
G1"
AD28.5
34
16
23.5
37
50
25
*JQG2-G1G/AD31.5
JQG2-G1B/AD31.5
G1”
AD31.5
37
17
26
41
53
25
JQG2-G1G/AD34.5
JQG2-G1B/AD34.5
G1"
AD34.5
40
17.5
30
44
56
25
JQG2-G1 1/4G/AD34.5
JQG2-G1 1/4B/AD34.5
G1 1/4"
AD34.5
40
17.5
30
44
56
25
JQG2-G1 1/4G/AD42.5
JQG2-G1 1/4B/AD42.5
G1 1/4"
AD42.5
50
26
36.5
52
65
10
JQG2-G1 1/2G/AD42.5
JQG2-G1 1/2B/AD42.5
G1 1/2"
AD42.5
50
26
36.5
52
65
10
JQG2-G1 1/2G/AD54.5
JQG2-G1 1/2B/AD54.5
G1 1/2"
AD54.5
60
28.5
48
64
68.5
5
JQG2-G2G/AD54.5
JQG2-G2B/AD54.5
G2"
AD54.5
60
28.5
48
64
68.5
5